Полезные статьи
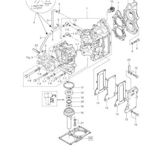
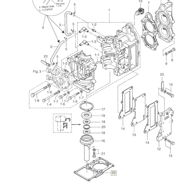
Читать все статьиПрокладка двигателя Hangkai 9,8 л.с. (под блок двигателя)
350
₽
Характеристики товара
Наличие в магазине:
0
Наличие под заказ (ожидание 3-4 раб. дня):
0
Наличие под заказ (ожидание 15-20 раб. дней):
0
Производитель:
Китай
Штрих-код:
2000000033655
Единица измерения:
шт
Код товара:
00-00001962
ОЕМ номер 3B2013030
Прокладка под блок двигателя Tohatsu M6B/M8B/M9.8B
Прокладка под блок двигателя Tohatsu/Mercury 6-9.8
Похожие товары
Вы недавно смотрели:



